Strut channel roll forming machine is also called like seismic support roll forming machine or seismic channel roll forming machine, its product is used to mount, brace, support, and connect lightweight structural loads in building construction. Our strut channel roll forming machine is suitable to produce strut channels with 12 gauge(2.6mm) or 14 gauge(1.9mm) thick sheet metal (normally range 2-2.5mm), raw material could be Hot-rolled and cold rolled steel, Hot-dip galvanized sheet, Pre-Galvanized Steel, Mill(Plain/Black) Steel, Aluminum, Stainless Steel etc. And according to slot type, our machine could produce solid channel, slotted channel, half slotted channel, long slotted channel, punched channel, punched and slotted channel etc.
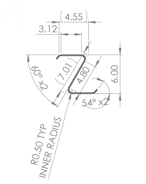
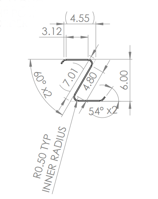
Linbay has many experience at solar photovoltaic stents roll forming machine. We exported to Saudi Arabia, Turkey, Iraq, India, Kuwait, Qatar, Pakistan, Argentina etc. We have made the strut channel profile, and American standard profile as well. The most popular size of strut channel profile is 40*21, 41*41, 41*62, and our roll forming machine could produce 3-5 sizes(eg: 41x21, 41x41, 41x62) in one machine (by manually change spacers), the working speed can reach 16m/min.
Now we have two workshops producing solar photovoltaic stents and we export it to USA. If you come to visit us, we would like to show you the producing line.
We make different solutions according to customers’ drawing, tolerance and budget, offering professional one-to-one service, adaptable for your every need. Whichever line you choose, the quality of Linbay Machinery will ensure you obtain perfectly functional profiles.


Description:
This solar photovoltaic stents roll forming production line is very efficient and higher yield. In this case, we produce 5 different sizes totally and production speed is up to 16m/min. Besides, we recommend burr-free saw cutting to reduce steel wastage and manufacturing cost, reasonable range of burr improves the quality of profile and price, bringing greater benefits to customers. We also adopts the flying saw cutting system to optimize production. This is the best configuration of solar photovoltaic stents roll forming machine.
Flow Chart:
Hydraulic decoiler-Levler-servo feeder-Press- Roll former-Flying saw cut-Out table




| Solar Photovoltaic Stents Roll Forming Machine | ||
| Machinable Material : | A) Hot-rolled and cold rolled steel | Thickness(MM): 2-2.5 |
| B) Hot-dip galvanized sheet | ||
| C) Pre-Galvanized Steel | ||
| D) Mill(Plain/Black) Steel | ||
| E) Aluminum | ||
| F) Stainless Steel | ||
| Yield strength : | 250 - 350 Mpa | |
| Tensil stress : | G250 Mpa-G350 Mpa | |
| Decoiler : | Manual decoiler | * Hydraulic decoiler (Optional) |
| Punching system : | Hydraulic punching station | * Punching press (Optional) |
| Forming station : | 28 | * According to your profile drawings |
| Main machine motor brand : | Shanghai Dedong (Sino-Germany Brand) | * Siemens (Optional) |
| Driving system : | Gearbox drive | |
| Machine structure: | Forged Iron station | |
| Forming speed : | 15-20 (M/MIN) | * Or according to your profile drawings |
| Rollers’ material : | Steel #45 | * GCr 15 (Optional) |
| Cutting system : | Flying hydraulic cut | * Flying saw cut (Optional) |
| Frequency changer brand : | Yaskawa | * Siemens (Optional) |
| PLC brand : | Siemens | |
| Power supply : | 380V 50Hz 3ph | * Or according to your requirment |
| Machine color : | Industrial blue | * Or according to your requirment |
1. Q: What kinds of experience do you have in producing solar photovoltaic stents roll forming machine?
A: We have experience of exporting our solar photovoltaic stents roll formers to Saudi Arabia, Turkey, Iraq, India, Kuwait, Qatar, Pakistan, Argentina etc. We have produced solid channels, slotted channels, punched channels, standard channels, American standard racks etc. We are confident to solve your solar racking problem.
2. Q: How many sizes can be made in one machine?
A: One machine could produce one same width with different heights like 41x21, 41x41, 41x62, 41x82 or 27x18, 27x30.
3. Q: What is delivery time of solar photovoltaic stents roll forming machine?
A: 80 days to 100 days depends on your drawing.
4. Q: What is your machine speed?
A: Machine’s working speed depends on drawing specially punch drawing. Normally forming speed is around 20m/min. if you want a higher speed like 40m/min, we give you a solution with rotary punch system, which punch speed is up to 50m/min.
5. Q: How could you control your machine’s precision and quality?
A: Our secret to producing such precision is that our factory has its own production line, from punching moulds to forming rollers, each mechanical part is completed independently by our factory self. We strictly control the accuracy at each step from design, processing, assembling to quality control, we refuse to cut corners.
6. Q: What is your after-sales service system?
A: We don’t hesitate to give you a two-years warranty period for whole lines, five years for motor: If there will be any quality problems caused by non-human factors, we will handle it immediately for you and we will be ready for you 7X24H. One purchase, lifetime care for you.



American standard profiles:





















